numer XLIII - grudzień 2004
fahrenheit  on-line     -     archiwum     -     archiwum szczegółowe     -     forum fahrenheita     -     napisz do nas
 
Adam Cebula Para - nauka i obok
<<<strona 20>>>

 

Elektrosmok cd.

 

 

Zanim zaczniesz czytać ten tekst, w charakterze ostrzeżenia posłuchaj tej historyjki. Wyobraź sobie dwóch dzielnych agentów ABW czy jakiejś tam innej Centralnej i Tajnej Policji, bo wobec co raz to zmieniających się politycznych koterii, trudno przewidzieć, co będziemy mieli jutro, i który prokurator siądzie na ławie oskarżenia. Owi Agenci dużą literą, bo niezwyczajni i jedyni, Wicek i Wacek, powiedzmy, że potomkowie bohaterów legendarnego komiksu z okresu II wojny światowej, którego nigdy na oczy nie widziałem a którego zawartości wysłuchiwałem legend jak o Atlantydzie, więc owi agenci, Wicek Junior i Wacek Junior siedzą znudzeni od wielu godzin, obserwując dom Posła z Aktualnie Wrażego Ugrupowania. Ciemno wszędzie, głucho i mokro, grudzień jak dzisiaj, do domu daleko. I naraz, ów poseł, czy ktoś z dworskiej służby (znaczy posługacz) wychodzi na ulicę i z wielkim hukiem wywala coś do kubła. Nasi Agenci z lekkim obrzydzeniem muszą przystąpić (wiem, z lekkim obrzydzeniem to "przystąpili", pokrętna forma gramatyczna, wszelako użyta w celu przekazują zawiłej treści) do spenetrowania owych resztek. Zaznaczmy, że bynajmniej nie kubeł z pokrywą, lecz ciutkę większy, na czterech kołach. Z wielką odchylaną pokrywą. Więc poklinając z lekka, udają się do wykonania swych służbowych obowiązków w celu spełnienia patriotycznego posłania. Odsuwają jak mogą najciszej pokrywę i wówczas Wacek mówi:

– Wicek, k..., uważaj! Tam coś jest!

– E..., p... – wyraża dobitnie swój racjonalistyczny stosunek do świata i niewiarę w duchy Wicek.

I wtedy...

– O, k..., Wacek! – Dostrzega majaczące w kuble dwa ślepia Bestii! Chce zatrzasnąć kubeł, lecz sparaliżowane strachem mięśnie spóźniają się... Świst pazurów, krzyki, rumor, wycięty na łysych czołach (zostawmy domyślności czytelnika, czy ogolonych, czy pozbawionych futrzanej okrywy na skutek nadmiernej aktywności rozumu) znak Zorro. A potem ekipa z Archiwum X analizuje taśmy z magnetowidów, zastanawia się: z jakiej planety TO przyleciało. Bo że ziemskie nie było, pewne. Telefony komórkowe zamilkły, wysiadł zapłon w samochodzie, nasi bohaterowie mogli tylko z wybałuszonymi ślepiami czekać, wciśnięci niemal w fotele swego służbowego merca, wyglądając, na ile wytrzeszcz pozwolił, przez przyciemnione szyby. Minęło kilka zdrowasiek (w takich chwilach "Zdrowaś Mario" to najlepszy miernik czasu, owszem, nagle przypomnieli sobie z lekcji religii, i jeszcze "Aniele Boży, stróżu mój" też zmówili). Dopiero, gdy TO, chichocząc straszliwie, podskakując pokracznie na trzech łapach a czwartą coś przytrzymując, zniknęło w grudniowej mgle, gdy umilkł okropny zgrzyt zasuwanej pokrywy kanału, włączyło się radio w samochodzie, zapaliły ekraniki komórek. Jak wyglądało? Przerażająco! Ale czy ciągnęło za sobą ogon siedmiokrotny, czy pęk kabli? Któż w tych ciemnościach zdołałby rozstrzygnąć?

Dziś, w roku 2010, sprawy się mają już w miarę dobrze. Obaj agenci w zasadzie przetrwali trudną próbę losu. Z Wickiem jest lepiej. Na całkiem sporej rencie rządowej mieszka w domku w lesie, z dala od śmieciarek, przed którymi się ukrywa. Dni spędza na kompletowaniu wielkiego zbioru lalek Barbie. Ostatnio nawet pokazywali go w telewizji, od pasa w górę – bo program był dla małych dziewczynek – w którym zresztą obiecał, że zacznie nosić spodnie. Wacek miał, niestety, pecha. Na skutek przepięcia, aparat do elektrowstrząsów przyłożył do jego czaszki 15.000 Voltów, siedem razy więcej niż na krześle elektrycznym. Jako Agent Policji Wacek przetrwał i ten wypadek, lecz utracił 98 % rozumu oraz cały mózg. Udało mu się załatwić posadę w partii broniącej narodowych wartości, ale dopiero po zamontowaniu dodatkowych 16 kB pamięci na USB koledzy działacze przestali się z niego śmiać. Niestety, problemem jest brak modułów pamięci o tak małej pojemności, zaś próby dołączenia większych np. standardowych 64 MB zakończyły się przeczytaniem Kubusia Puchatka i tak głęboką depresją, że lekarze chcieli przeprowadzić dla ratowania życia pacjenta lobotomię.

A co z Obcym? Jest jeszcze kilku innych nieszczęśników, którzy mieli z nim kontakt. Radzą sobie lepiej lub gorzej, naznaczeni strasznym piętnem "Z", czasami pokazywani w nocnych programach, opowiadają o swych koszmarnych przeżyciach. Nikt nie wie, kto i co TO było...

Najgorszą wiadomość mam na koniec. Oczywiście, Alien to TY! Znajomi dostrzegają w tobie pewne niepokojące cechy: za dobrze się trzymasz, znikasz na całe dni w pokoiku, z którego dobiega tylko buczenie transformatorowej lutownicy i przenikają zapachy balsamicznych topników. Nikomu jednak nie przyjdzie do głowy, że dyrektor handlowy wielkiej firmy, przebrany za karton po majonezie, czatował w kuble na śmieci siedem godzin na spaloną kuchenkę mikrofalową, z której chciał wydobyć magnetron i transformator wysokiego napięcia! Nikt przy zdrowych zmysłach dla takiej głupoty nie paraliżuje systemu łączności w całej wschodniej Europie, nie wyłącza zasilania prądem w połowie Polski, tylko po to, by się nie dostała wyrzucona kuchenka mikrofalowa komuś innemu. Nikt... z wyjątkiem CIEBIE. Nie wierzysz mi, uważasz, że to wszystko, żeby nabić wierszówkę... Ale ty jesteś w roku 2004, a ja przemawiam do Ciebie z 2010...

Nie wierzysz mi, bo dlaczego miałbyś wierzyć, że czymkolwiek grozi opowieść nudna i miałka o tym, jakie to w naszym świecie występują części elektroniczne. Taka, nawet jedna z najnudniejszych. Wszelako spróbuję Cię wystraszyć i wytłumaczyć, w czym rzecz. Oto gdy zgromadzisz wcale nie taką wielką liczbę informacji, dostrzeżesz możliwości. Każdy człowiek ma pragnienie władzy, pragnienie samorealizacji. Chciałbyś widzieć przez ściany? A właśnie, po to grandziłeś tę kuchenkę mikrofalową. Oczywiście, że gdyby nikt nie wyrzucał, kupiłbyś gdzieś ten magnetron. Ale ty już wiesz, że możesz widzieć przez ściany, nie wykładając ani grosza. Szczerze mówiąc, ostatnim ogniwem łańcucha pokarmowego cywilizacji przemysłowej. Jak Alien konsumujesz odpadki, lecz nie jesteś z innej planety, jak najbardziej z tej jesteś. Co więcej, mając dziwny nawyk zbierania na śmieci, realizujesz swój nabożny stosunek do tutejszej techniki. Nie możesz zwyczajnie ścierpieć, że coś, co jest do użycia może zostać całkiem zniszczone, czy jakoś tak. Motywy to inna bajka. Otóż mogę przedstawić łańcuch decyzyjny. Najpierw identyfikujesz urządzenie, potem zastanawiasz się, co z tego da się wyciągnąć. Masz w głowie bazę danych, w której przydatność poszczególnych elementów jest dawno sklasyfikowana. Podstawową sprawą jest fakt, że wiesz, jak to działa. Masz doświadczenia, że tyle wystarcza, by w chwili potrzeby zrobić użytek z rzeczy z pozoru kompletnie do niczego.

Nie wiem, kiedy zaczyna się PRZEMIANA. Jednak chyba pewnym jest, że gdy doszedłeś do etapu rozbierania przeróżnych urządzeń, z pełną premedytacją zebrania informacji jak to działa, czułki już rosną.

No i do PRZEMIANY. Osobliwością techniki elektronicznej jest to, że tak zwane elementy elektroniczne są piekielnie trwałe. Swobodnie da się użyć transformatory zbudowane przed II wojną światową. Słuchawki z tamtych lat są wyjątkowo cenne. Zadziała większość oporników, kondensatorów. Gorzej z lampami, ale budowanie urządzeń lampowych to specjalny rodzaj przypadłości. W chwili obecnej poza wyjątkami, jak nadajniki dużej mocy, jakieś urządzenia wysokonapięciowe, lampy do niczego się nie nadają. W szczególności do budowania słynnych wzmacniaczy lampowych. Można to oczywiście robić, ale po co? Tak, czy owak, gdy dopadniemy na strychu stare radio, to gdy nie ma na innego pomysłu, można z niego wydobyć zazwyczaj transformator sieciowy, kondensator strojeniowy, czasami potencjometry.

Podstawowymi elementami elektronicznymi są oporniki. W szkole wystarczy wiedzieć, że mają tyle a tyle omów. Elektronik wie o nich jeszcze więcej. Drugi parametr, to dopuszczalna tracona moc. Zazwyczaj im większy opornik, tym większa moc. Mówi nam, ile watów ciepła może się na tym oporniku wydzielić, by temperatura, do jakiej się nasz element ogrzał, nie spowodowała jego zniszczenia. Oznacza to, że w niskiej temperaturze, na mrozie w zimie opornik wytrzyma więcej, we wnętrzu urządzenia, gdzie temperatura powietrza jest wysoka, mniej. Zazwyczaj dopuszczalną moc określa się dla realnej temperatury powietrza w aparaturze, 40 lub 70 stopni Celsjusza. Gdy mamy określoną moc, możemy na podstawie oporu określić maksymalny prąd lub napięcie, jakie opornik wytrzyma. Drobiazg. Oporniki są elementami, które często bardzo dobrze wytrzymują impulsowe przeciążanie, na przykład 1000 razy. Byle bardzo krótko. Ta ich własność dość często się przydaje.

Do czego nam opornik? Za chwilę przykład. Dla jego realizacji jeszcze jeden element: kondensatory. Omawiając kondensator w szkole, zazwyczaj nic się nie mówi, jakie pojemności są technicznie osiągalne. W tej chwili w tak zwanych kondensatorach o podwójnej warstwie nawet kilkaset faradów. Jest to jednak szczególna konstrukcja. Takie kondensatory, gdzie mamy wyraźnie dwie okładki, normalny dielektryk między nimi, mają pojemności zaledwie kilku mikrofaradów (mikrofarad – milionowa część farada). Oczywiście można na upartego zrobić większe, ale będą drogie i wielkie. Następną technologią, co do osiągania dużych pojemności kondensatora, są tak zwane kondensatory elektrolityczne. Mają pojemności do kilkudziesięciu tysięcy mikrofaradów. Tak zwane "elektrolity" służą jako składnik wszystkich zasilaczy sieciowych. Służą tam, jak wcześniej napisałem, do wygładzania tętnień wyprostowanego prądu. Działa to tak, że gdy napięcie sieciowe przechodzi przez zero (zmienia znak), to urządzenie jest zasilane z kondensatora. Na oko widać, że im większą pojemność ów kondensator będzie miał, tym lepiej. Im większa pojemność, tym tętnienia napięcia sieciowego są mniejsze. Elektrolity mają taką osobliwość, że nie wolno ich stosować w obwodach prądu przemiennego i trzeba dopilnować, żeby przyłączyć właściwą końcówkę do "+" i do "-". Wynika to z konstrukcji. "Elektrolit" to kondensator, w którym dielektryk stanowi cienka warstwa tlenku na metalowej folii, która jest zanurzona w elektrolicie, w którym właśnie dzięki procesowi formowania te tlenki się tworzą. Gdy się przyłoży napięcie w drugą stronę, proces zechce się odwrócić. Kondensator zacznie przewodzić prąd, nagrzeje się, elektrolit odparuje i będzie głośne bum! Całe urządzenie zostanie zawalone "farfoclami" z rozwalonego kondensatora, a my możemy oberwać odłamkami obudowy. W przypadku "elektrolitów" nie można przekraczać dopuszczalnego napięcia. Ten parametr jest szczególnie krytyczny w tych kondensatorach. Czasami praca przy za małym napięciu powoduje rozformowanie kondensatora. Generalnie elektrolit powinien być stosowany na to napięcie, na jakie jest przewidziany. No i jeszcze jedno ograniczenie: dla większych pojemności amplituda wahań napięcia na kondensatorze nie powinna przekraczać 0.2. Na przykład, gdy taki kondensator pracuje w zasilaczu przy napięciu 10 V, to amplituda tętnień nie powinna być większa niż 2 wolty.

Mając kondensator i opornik, możemy zbudować najprostszy zasilacz z filtrowaniem napięcia. Czasami taka konstrukcja może się przydać w praktyce. Istnieje wiele układów, które zadziałają przy minimalnym prądzie zasilającym i nie wymagają nadzwyczajnych warunków zasilania. Jednym z takich zastosowań jest dioda LED sygnalizująca, że coś jest "w sieci". Dość często jest ona zasilana "tętniącym" prądem i gdy znajduje się w polu widzenia, każde poruszenie głową powoduje charakterystyczne "smużenie". Początkowo zabawny efekt na dalszą metę może nieźle wkurzyć. Tak czy owak, możemy czasami to zmienić. Nie koniecznie "poprawić", ale zmienić. Dostosować środowisko do swoich wymagań. Układy tego nie można zastosować dla diod zasilanych bezpośrednio napięciem sieciowym.

Słowo o owych diodach. Zachowują się prawie jak normalne diody. Prawie. To znaczy, przy jednej polaryzacji przewodzą prąd i świecą, przy polaryzacji zaporowej wytrzymują 5 – 8 Voltów i ulegają przebiciu i zniszczeniu. Pracują z prądami do 50 mA. Diody świecącej używamy standardowo połączonej w szereg z opornikiem. Jeśli podłączamy ją do napięcia 12 Voltów i chcemy, by płynął przez nią prąd 10 mA, to łączymy ją szeregowo z opornikiem 1 kiloom i włączamy w obwód w kierunku przewodzenia. Zaświeci.

Wartość opornika wyliczmy tak: od napięcia zasilania odejmujemy stały spadek napięcia na diodzie ok. 2 wolty. Ten spadek jest wywołany barierą potencjału i działa trochę tak jak bateria włączona w kierunku przeciwnym do napięcia zasilania. Po przekroczeniu napięcia progowego (jego dokładna wartość zależy od koloru i typu diody) urządzenie zaczyna przewodzić, przy czym wartość prądu rośnie bardzo gwałtownie. Dlatego nie można liczyć, że ustalimy wartość napięcia na np. 2,3 wolta i będzie dobrze. Niewielkie zmiany temperatury także powodują zmiany napięcia progowego. Może się okazać, że wystarczyło, że na urządzenie poświeciło słońce i diodę wezmą diabli. Dlatego stosujemy połączenie szeregowe diody i opornika. Gdy wsadzimy w układ opornik 1000 omów czyli 1 kiloom, to nawet gdyby napięcie przewodzenia diody spadło do 0 Voltów, prąd wzrośnie (wylicz za pomocą prawa Ohma!) do 12 mA, nic się nie stanie.

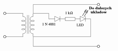
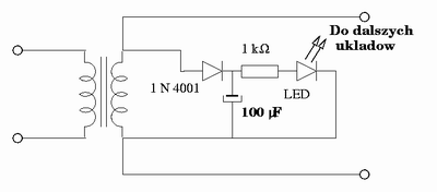
No i teraz nasz układ. Znowu muszę przypomnieć: cokolwiek robisz, robisz to na WŁASNE RYZYKO! Jeśli nawet intencje autora są najlepsze, to może się pomylić, ty możesz źle zrozumieć, może być pech. Musisz dobrze zrozumieć i to, co chcesz zrobić, oraz to, w czym chcesz to zrobić. Pokazuję Ci przykładowy układ sygnalizacji załączenia transformatora i przykładową przeróbkę, która zlikwiduje migotanie.

Zarówno kondensatory, oporniki, jak i diody oczywiście najlepiej zakupić w sklepie. Kosztują po kilkadziesiąt groszy za sztukę. Ale przyjdzie czas, gdy nie darujesz jakiemuś przypadkowemu urządzeniu.

 





Pierwszy rysunek pokazuje, co możesz znaleźć w prostych zasilaczach sieciowych z migoczącą diodą. Rysunek drugi pokazuje modyfikację układu. Dodano tylko kondensator 100 mikrofaradów. Oczywiście nic nie stoi na przeszkodzie, by nie-migoczący układ zamontować w samodzielnie wykonanej maszynie.

 

Z pozoru cała ta operacja nie ma większego sensu. Z pozoru, bo każdy raczej, poza wyjątkowymi nadwrażliwcami, przyzwyczai się do migotania i z fazy złości przejdzie do spokojnej rezygnacji. Nie o to chodzi. Ważniejsze jest nauczyć się manipulować elektrycznymi przebiegami. Chcemy, to go wygładzimy. W podobny sposób można wykonać zasilanie dla niebuczącego elektromagnesu. Musi on pracować przy stałym prądzie. To bardzo ważne, żeby sprawdzić, jakim napięciem urządzenie jest zasilane. Najważniejsza nauka: jak wielki kondensator dać. Wbrew pozorom, można szybko nawet w pamięci oszacować jego pojemność. Wystarczy znać tylko opór obciążenia (w naszym wypadku 100 omów). Wiemy, że w tym układzie transformator będzie dostarczał 50 razy na sekundę prądowego kopniaka. Pojemność szacujemy z tak zwanej STAŁEJ CZASOWEJ. Jest to iloczyn pojemności i oporu i, proszę mi wierzyć, omy x farady = sekundy. A najczęściej ułamki sekund. Jeśli siedzimy w tramwaju i nie chce się nam wyciągać kalkulatora, możemy w głowie oszacować. OSZACOWAĆ, nie wyliczyć, potrzebną wielkość. Dla łatwości rachunku przyjmijmy wartość stałej czasowej 0.01 sekundy czyli 1/100 sekundy, gdyby ktoś miał problemy z ułamkami dziesiętnymi. (I takie zdarzają się efekty współczesnej edukacji). Ponieważ rc=tau (stałą czasową oznaczamy zwykle literką tau ale nie będziemy utrudniać składu, napiszmy zamiast po grecku, to za pomocą łacińskiego alfabetu tau, r to opór, c pojemność) to c=tau/r.

Ile wyjdzie? 1/100 przez 1000. W głowie liczymy "dziesięć do minus drugiej przez dziesięć do trzeciej". Operacja sprowadza się do odjęcia od minus 2 liczby trzy. Co daje nam minus 5. Nie, nie tłumaczę JAK się to liczy. Podziel, Czytelniku, 1/100 przez 1000, o to chodzi. Do wykonania tej operacji przydadzą się operacje na potęgach. Więc jak umiesz liczyć na potęgach, to siedzisz sobie w pociągu, gapisz się tępo w okno i wszyscy współczują mamusi "o, jaki biedny autyk..." A ty PROJEKTUJESZ.

No dobra. Wykombinowaliśmy, że potrzebujemy kondensatora o pojemności jakiej? 10 do minus piątej. CZEGO? FARADA. Trzeba się nauczyć żonglować jednostkami. Jedni w prostocie swego umysłu ćwiczą emanację własnego pojmowania świata (prawą i prostą), waląc prawym i prostym w mordę, ewentualnie pracowicie w worek treningowy, natomiast ty możesz poświęcić trochę czasu na trening walenia potęgami. Zaręczam, że gdy ten od worka przejdzie na emeryturę, ty ciągle jeszcze będziesz mógł załatwić na cacy tą potęgą i faradem. Więc 10 do minus piątej czyli 1 stutysięczna farada. Czyli 10 mikrofaradów. To jest niewielki kondensator elektrolityczny. Ponieważ oszukaliśmy ze stałą czasową, żeby łatwiej liczyć, 2 razy 10 mikrofaradów mnożymy przez dwa i mamy dokładną wartość.

Używając rozumu, operację zaprojektowania układu elektronicznego sprowadziliśmy do działań –2-3=-5 oraz 10x2=20. Taka mniej więcej skomplikowana matematyka jest potrzebna. Dobrze, ale słowo o tej stałej czasowej. To czas, gdy kondensator rozładuje się do ok. 0.6 napięcia początkowego. Nie bardzo wiadomo, o ile trzeba ograniczyć tętnienie, żeby nie dokuczało. Na wszelki wypadek zwiększamy wartość kondensatora 5 razy. Tak wygląda projektowanie: coś daje się precyzyjnie wyliczyć, coś się bierze "z powietrza". Jak za mało, to dołożymy.

Kontynuując wątek urządzeń sygnalizacyjnych, omówimy urządzonko zwane "buzerem". Właściwsza nazwa, to chyba głośnik piezoelektryczny, ale pewności nie mam. Co to jest? Kawałek okrągłej blachy o średnicy około od 20 do 40 mm, grubości 0.3 mm. Na tej blasze mamy naniesiony ceramiczny placek "bimorfa". To rodzaj "porcelany", która pod wpływem pola elektrycznego kurczy się lub rozszerza. Bimorf to spieczone ze sobą dwie warstwy takiej ceramiki, które reagują przeciwnie na przyłożone pole. Rezultatem takiego zachowania jest to, że blacha z bimorfem, pod wpływem pola elektrycznego, wygina się jak membrana bębna. Nie dostrzeżemy tego efektu, ale możemy go usłyszeć. Tak właśnie odzywają się zegarki, oraz elektroniczne kartki z życzeniami. Mówiąc krótko, jednym ze źródeł owych buzerów mogą być listy z imieninowymi gratulacjami. Żaden interes specjalnie kupować takie kartki, żeby z nich maszynerię wydłubywać, ale prawda jest taka, że jak znajdziemy przeszkadzającą kartkę, to z nudów możemy właśnie wydobyć z niej to cudo współczesnej techniki. Co z niego możemy zrobić? Ja próbowałem manipulator do majstrowania przy pojedynczych atomach. I to jest możliwe. Jeśli uda się przetrwać jeszcze kilka odcinków, to dojdziemy do omówienia układu skaningowego mikroskopu tunelowego. Jest to w zasięgu amatorskich możliwości. No to już wiesz, jakim cudem w roku 2010 wyrosły Ci czułki: majstrowaliśmy w wolnej chwili, zamiast drapać się ucho w kodzie genetycznym... Właśnie do takich rzeczy te buzery też mogą nadać. Zaś na co dzień całkiem te same, które siedzą w kartach, które przysłał nam ktoś w przypływie rozpaczy, nie mogąc wymyślić niczego sensownego, nadadzą się do skonstruowania syreny alarmu, która będzie wyła jak wszyscy diabli. Tajemnica tkwi w dwu posunięciach. Jednym z nich jest przywalenie na nasz ceramiczny placek napięcia nawet do 100 Voltów wymuszającego drgania. Drugim jest przyklajstrowanie na przykład papierowej membrany za pomocą kleju typu cyjanopan. Konstrukcja membrany jest banalna. Wycinamy z papieru (na przykład z kartki zeszytu) kółko o średnicy 7– 10 cm. Nacinamy je do środka i sklejamy tak, żeby powstał stożek. Teraz czubek stożka przyklejamy do środka membrany. Dokładniejszy opis tej konstrukcji, być może po tem. Teraz o samych "buzerach" słowo. Napięcie podajemy jeden biegun na blachę, drugi na elektrodę napyloną na ceramikę. Raczej należy unikać lutowania, bo wysoka temperatura niszczy niezwykłe właściwości ceramiki. Jednak udaje się i to: brutalne przylutowanie przewodów bezpośrednio do elektrody. Z lutowaniem do nośnej blachy gorzej, bo na ogół się bardzo kiepsko lutuje. Można coś na nie zacisnąć.

Aby buzer się odezwał, trzeba przyłożyć na niego zmienne, najlepiej przemienne napięcie o częstotliwości kilku kiloherców. Zazwyczaj adekwatna wartość zawiera się gdzieś pomiędzy 800 Hz a 2 kHz. Emitowana moc akustyczna będzie największa, gdy się trafi z częstością w zakres mechanicznego rezonansu urządzenia. Napięcie takie stosunkowo najłatwiej wyprodukować za pomocą układu elektronicznego zwanego multiwibratorem. Jeśli zastosujemy transformator do podbicia napięcia, uzyskamy właśnie "to" piekielnie denerwujące urządzenie, wyjące jak opętane i na dodatek pobierające bardzo mało mocy. Ta ostatnia cecha wynika z tego, że za pomocą naszej konstrukcji udaje się uzyskać bardzo dużą sprawność przetwarzania energii elektrycznej na akustyczną. W głośnikach ta wartość wynosi zazwyczaj tylko kilka procent, ale szczerze mówiąc, nas jako praktyków interesuje fakt, że zawyje jak cholera. Nasz buzer może jeszcze pełnić rolę odwrotną, niejako przetwornika energii akustycznej na elektryczną, czyli mikrofonu. Może to być jednocześnie bardzo płaska i bardzo czuła konstrukcja. Entuzjaści wszelkiego rodzaju maszyn podsłuchowych nadstawią uszu, bo takie coś da się ukryć nawet w okładce książki. No, ale o tym wszystkim mam nadzieję "potem". Jak na razie, chciałem Cię przekonać, że otacza nas mnóstwo bardzo interesujących śmieci i że ów głośnik piezoelektryczny do nich właśnie należy.

Jak w poprzednim odcinku obiecałem, podaję sposób zabrania się za skonstruowanie "szybkościowego" radia. Nie wiem, na ile osobom nie obeznanym z elektryką schemat pomoże, ale trudno, trzeba spróbować. Zasadniczą trudnością skonstruowania naszej machiny jest pozbieranie wszelkich niezbędnych elementów. Niestety, większość z nich jest mocno z demobilu. Kto wie, czy nie największy kłopot może być ze zdobyciem tak zwanych wysokoomowych słuchawek. Trzeba wyjaśnić, że popularne dziś i łatwe do kupienia w sklepie, mają uzwojenia o oporności 32 omy lun około 470 omów. To, niestety, jest "zupełnie nie to". Potrzebne są słuchawki po dziadku czołgiście, radiotelegrafiście, o oporności około 2000 omów. Dlaczego takie? Na upartego moglibyśmy dołączyć i te na 32 omy, lecz wymagałoby to wykonania dodatkowego uzwojenia na cewce obwodu rezonansowego. Tu zaczynają się "schody", ponieważ co prawda dość łatwo możemy wyliczyć stosunek liczby zwojów, lecz najpierw może się okazać konieczne ustalenie tej liczby zwojów w uzwojeniu zasadniczym (co bywa osobnym i nie zawsze łatwym zadaniem) i tu diabli wezmą podstawową ideę przedsięwzięcia, żeby dało się w miarę szybko i łatwo.

No więc, co my tu jeszcze mamy do zdobycia?? Cewkę na rdzeniu anteny ferrytowej. Antenę można kupić albo wydobyć ze starego radia. Jeśli znajdziemy na nie uzwojenie, to pozostawiamy je. Może się nam przydać. Jeśli mamy "gołą" antenę, czyli pręt ferrytowy, nawijamy na nim 150-300 zwojów drutu o średnicy 0,1 do 0.3 mm izolowanego. Dokładna liczba nie jest istotna, tym razem chodzi tylko o sprawdzenie czy to w ogóle ruszy. Słowo o drucie nawojowym. Może to być tak zwana lica wciąż gdzieniegdzie jeszcze do zdobycia (ale nie do kupienie), może to być drut z rozwinięcia transformatora. Istotne dla naszego eksperymentu jest tylko tyle, żeby nie miał on "gołych", pozbawionych izolacji miejsc, żeby nie utworzył na antenie "zwartego zwoju". Druty, którymi się uzwaja transformatory, są izolowane tak zwaną emalią, cienką, elastyczną powłoką, rodzajem farby. Nadaje ona trochę ciemniejszy kolor przewodowi i miejsca, gdzie jest on jej pozbawiony, dość łatwo poznać jako jaśniejsze łaty. Jeśli uzwojenie transformatora, z którego chcemy zastosować na naszą cewkę, było zalane żywicą, to zapewne emalia podczas odwijania miejscami się poodrywała i niestety drut nadaje się raczej do zawiązywania baloników na Sylwestra. Nie uda się nam raczej uzwoić cewki przewodami w grubej plastykowej izolacji służącymi do łączenia. Generalnie kawał drutu nawojowego w warunkach naszej cywilizacji powinien dać się zdobyć. Nie jest też bardzo istotny rozmiar pręta anteny ferrytowej, gdyż służy tu jako rdzeń cewki, a nie jako antena.

Kondesator strojeniowy. Do wydobycia ze starych odbiorników. Nie wiem, czy się jeszcze takie produkuje. Współcześnie obwody są strojone za pomocą diod pojemnościowych. Ale może się nam coś takiego uda zdobyć. Najlepsze z radioodbiorników z połowy naszego wieku. Kondensatory takie mają charakterystyczny wygląd: stos równolegle umocowanych blaszek obraca się i zanurza w drugim stosiku takich blaszek. To, co się rusza, bywa zwane rotorem kondensatora, to co jest stałe – statorem kondensatora. Nie są istotne te nazwy, natomiast ważne jest, żeby urządzenie nie było pogięte i żeby blaszki rotora i statora nie dotykały do siebie i "robiły zwarcia". Inaczej będzie to zwyczajny kawał metalu nie kondensator strojeniowy. Możemy też spotkać miniaturowe konstrukcje od odbiorników tranzystorowych, w których nic nie widać, tylko wystaje ośka i mamy dostęp do końcówek. W takich kondensatorach rotor od statora oddziela folia plastykowa, nie tylko chroni od zwarcia, ale pełni rolę dielektryka. Dzięki temu odległości pomiędzy okładkami są małe, przez co mamy mały rozmiar całego urządzenia. Co to są te kondensatory, co z dielektrykiem opowiem dalej.

Dioda, napisałem na schemacie DOG 61. Najlepsza będzie "germanowa detekcyjna" Ale nie koniecznie germanowa, powinno zadziałać także z krzemową, jakąś diodą impulsową. Jeśli poprosimy znajomego elektronika o coś takiego, powinien bez kłopotu wyciągnąć z jakiegoś pudełka i nam dać. Zadziałają tu nawet zepsute tranzystory, w których ocalało jedno złącze na przykład prawie wszystkie z serii BC (BC107, BC108, BC147, BC148).

Uziemienie – tak zwane porządne, czyli można się podłączyć do kaloryfera albo do rury wodociągowej. Antena – 20-30 metrów przewodu powieszonego najmniej kilka metrów ponad budynkami (jeśli pomiędzy wieżowcami na wysokości kilku metrów nad ziemią, to nie zadziała).

Nasz odbiornik nie nada się do niczego więcej niż do zademonstrowania, jak działa radio. Ale tyle wystarcza, żeby wart był wysiłku, a nawet bardzo wart. Zapewne usłyszymy kilka audycji nałożonych na siebie, z marną jakością i być może zapamiętamy tę chwilę na całe życie, gdy ruszyło własnoręcznie skonstruowane radio.

Jak to działa? Antena jakimś cudem "wyłapuje " fale. Dokładnie generują one w długim drucie napięcia. Budynki, w których konstrukcji jest dużo żelaza, "ekranują" przestrzeń od fal radiowych, dlatego antena musi wisieć możliwe w otwartej przestrzeni. Prądy płyną pomiędzy anteną i uziemieniem. Nie może ono być dla nich zawadą, dlatego nie wystarczy kołek wbity w grunt, lepiej przykręcić się do kaloryfera. Jeśli jacyś panowie w beretkach niczego nie popsuli, to jest on dobrym uziemieniem.

Teraz obwód rezonansowy złożony z cewki i kondensatora. On daje się rozbujać napięciom odpowiadającym mniej więcej jego częstotliwości rezonansowej. Natomiast prądu o innych częstościach "nie ruszają go". Ich amplituda jest mała. Dlatego przy odrobinie szczęścia, kręcąc ośką kondensatora, uda się nam zmienić stację. Kondensator czyli dwie płyty z przewodnika, które są do siebie zbliżone (np. dwie płaskie blachy ustawione równolegle). Takie urządzenie ma własność gromadzenia ładunku. Zasadniczo fizycznie nie ma znaczenia, która blacha od anteny, która do ziemi, ale zazwyczaj stator jest połączony z obudową kondensatora, dlatego lepiej jest go połączyć z ziemią, a rotor z anteną. Tak więc widać, że znowu, jak w transformatorze, kluczem sukcesu jest wiedzieć, gdzie są końcówki i do czego służą. Włożenie dielektryka, czyli choćby szklanej płyty, zwiększa pojemność kondensatora. Jego pojemność jest wprost proporcjonalna do powierzchni płytek, odwrotnie do odległości między nimi i wprost proporcjonalna do stałej dielektrycznej czegoś, co wsadzimy pomiędzy okładki. Naturalnie, to coś musi być izolatorem. Dlatego w miniaturowych kondensatorach strojeniowych, gdzie dzięki folii odległości między okładkami zmniejszono np do 0,1 mm, dzięki temu oraz stałej dielektrycznej pojemność jest taka sama albo i większa jak w kondensatorach strojeniowych powietrznych, które mają znacznie większe wymiary.

Cewka gromadzi energię pola magnetycznego. Jeśli zastosować mechaniczne analogi układu rezonansowego, to możemy sobie wyobrazić dyndający się na sprężynie góra-dół ciężarek. Cewka robi za ciężarek, kondensator za sprężynę. Jak powiedziałem, ilość zwoi może być różna, celujemy gdzieś na zakres pomiędzy 100 kHz a 2,3 MHz. Ile dokładnie – zależy od rdzenia ferrytowego. Niestety, nie mam pojęcia, jaki się Ci, Czytelniku, uda zdobyć, dlatego mogę powiedzieć tyle, że 150-300 zwojów. Jeśli rdzeń będzie długi trzeba zmniejszyć tę liczbę może nawet poniżej 150. Najważniejsze, żeby był to rdzeń od anteny ferrytowej od radia, a nie coś innego (np pręt ebonitowy albo rdzeń od cewki wysokiego napięcia od jakichś urządzeń medycznych). W tej mierze w wyjątkowych wypadkach trzeba przeprowadzić śledztwo, gdyby nie zadziałało. Urządzenie można zmontować na jakimś kawałku deski, nawet grubej tektury. Poszczególne elementy możemy przymocować nawet taśmą klejącą. Istotne, żeby połączenia elektryczne były prawidłowe i solidne. Najlepiej wykonać je drutem 1 mm, można go przeciągnąć przez otwory przebite w tekturce. Jeśli zdobędziemy prawdziwą diodę germanową, przy lutowaniu trzeba koniecznie złapać płaskoszczypami za końcówkę pomiędzy diodą a miejscem lutowania. Płaskoszczypy odprowadzą ciepło z końcówki i nie dopuszczą do przegrzania się złącza i uszkodzenia go. Nie warto konstrukcji tym razem poświęcać wiele wysiłku, bo spełni tylko rolę dydaktyczną i terapeutyczną: jak zadziała, przestaniemy wierzyć w radiowe duchy.

 



Schemat najprostszego radia, które może zadziałać, pozwalając wysłuchać jakiejś wybranej stacji.
Okładka
Spis Treści
451 Fahrenheita
Literatura
Bookiet
Recenzje
Spam(ientnika)
Permanentny PMS
Ludzie listy piszą
Andrzej Zimniak
Adam Cebula
Piotr K. Schmidtke
Andrzej Pilipiuk
W.Świdziniewski
K. Night Coleman
M.Kałużyńska
Adam Cebula
Adam Cebula
M.Koczańska
Adam Cebula
Tadeusz Oszubski
Toroj
Tomasz Franik
Stanisław Truchan
Joanna Łukowska
Andrzej Sawicki
GW
Feliks W. Kres
Tomasz Pacyński
Dariusz Spychalski
Marcin Mortka
 
< 20 >