Fahrenheit nr 62 - styczeń-marzec 2oo8
fahrenheit on-line - archiwum - archiwum szczegółowe - forum fahrenheita - napisz do nas
 
Para - nauka i obok

<|<strona 19>|>

Układy podstawowe

 

 

Czytałem kiedyś porady dla młodych poetów. Nie pamiętam już autora, ale zapamiętałem, że w formie maksymy było tam zalecane, by przynajmniej jeden wiersz dziennie napisać.

Czy to jest właściwe porównanie dla rozpoczęcia kolejnego odcinka o podstawowych układach w elektronice? Pewnie karkołomne. Tym niemniej chodzi znowu o elektronikę i układy podstawowe.

Osobliwość i trudność polega na tym, że zazwyczaj w głowach układają się nam jakieś uproszczone schematy analizowania... schematów. To powoduje, że podstawowych układów trzeba się zazwyczaj nauczyć. Na początku wydaje się, że wystarczy zrozumieć, jak działa na przykład tranzystor, by wydedukować samemu, jak się zachowają różne układy, które sobie zlutujemy. Tymczasem najprościej można powiedzieć „to nie jest takie proste”.

Weźmy na tapetę układ zwany w literaturze „super-alfa”. Znany jest też jako układ Darlingtona. Pochodną jest tzw. układ Sziklaiego zwany układem „komplementarnego Darlingtona”. Na pierwszy rzut oka to proste połączenie dwóch tranzystorów.



Układ powinien mieć bardzo duże wzmocnienie prądowe. Zastępczy współczynnik beta będzie równy iloczynowi współczynników wzmocnienia obydwu tranzystorów. Przy takim połączeniu dwóch tranzystorów możemy się spodziewać wzmocnienia prądowego rzędy kilku, kilkudziesięciu tysięcy. Połączenie trzech da wzmocnienie rzędu miliona. Mówimy cały czas o współczynniku beta, wzmocnieniu prądowym „gołego tranzystora”. Wzmocnienie napięciowe będzie zależało od tego, gdzie umieścimy obciążenie: jeśli w kolektorze, będzie bardzo duże, zależne oczywiście od wartości opornika, jeśli w emiterze, mniejsze od jedności.

Po co stosujemy układ z obciążeniem w emiterze? Przypomnijmy: dla osiągnięcia wielkiej oporności wejściowej. Robi się skomplikowanie, oporności wejściowe, wyjściowe, to już trochę pachnie alchemią.



Oba układy dają nam wielkie wzmocnienie mocy doprowadzonego sygnału. W układzie, w którym obciążenie znajduje się w kolektorze, mamy wzmocnienie i mocy, i napięcia sygnału. W układzie, w którym opornik, z którego pobieramy sygnał, występuje bardzo duże wzmocnienie mocy i stłumienie napięcia sygnału wejściowego. Jak to możliwe? Oczywiście dzięki temu, że wielokrotnie wzrasta, prąd dokładnie tyle, ile wynosi wypadkowe wzmocnienie układu.

Układ z obciążeniem w emiterze stosuje się, gdy mamy źródła sygnału o dużej oporności. Przykładem może być mikrofon zbudowany z głośniczka, jaki znajdziemy w „grających” kartkach. To tzw. bimorf, placki z ceramiki, która pod wpływem pola elektrycznego zmienia swoje wymiary. Ceramika jest naklejona na krążek cienkiej blachy. Zazwyczaj można dolutować przewód do niej i do metalizacji na ceramice i już mamy mikrofon o niezłych właściwościach i grubości ok. 0,3 mm. Lutowanie do ceramiki trzeba przeprowadzić „z czuciem” minimalną ilością cyny, gdyż bimorf w wysokiej temperaturze traci swoje właściwości. Używamy cienkich drutów, małej lutownicy, operację przeprowadzamy za jednym dotknięciem grota.

Tak wykonany mikrofon dostarcza dość dużych napięć, rzędu 0,1 wolta. Niestety, jest źródłem, na którym to napięcie „siada” pod lada obciążeniem. Możemy czerpać z niego prądy kilku mikroamperów, nawet mniej. W obliczeniach zastępujemy bimorf kondensatorem o pojemności najwyżej kilkudziesięciu nanofaradów, połączonym szeregowo z generatorem napięcia. Więc reasumując, mamy takie źródło, które daje jak na elektronikę spore napięcia, ale którego nie można obciążyć. Wówczas stosujemy układy wzmacniające o dużej oporności wejściowej. A dlaczego nie wzmocnić po prostu tego mikroskopijnego prądu?

A to dlatego, że wówczas uzyskamy znacznie gorsze parametry wzmacniacza. Zawsze staramy się maksymalnie wykorzystać moc sygnału sterującego.

Jak działa układ Darlingtona z obciążeniem w emiterze? Co tu może być niezwykłego? Prąd wpływający do bazy pierwszego tranzystora wywołuje przepływ przez opornik prądu większego tyle razy, ile wynosi współczynnik wzmocnienia prądowego całego układu. Jeśli jego wartość (sygnału) wynosi 1 mikroamper, to w obwodzie emitera drugiego tranzystora popłynie przy współczynniku wzmocnienia prądowego 10.000 ok. 10 mA. Jeśli wejściowa amplituda sygnału wynosi 0,1 wolta, to tyle samo powinno pojawić na wyjściu. Jaką wartość powinien mieć opornik? 10 omów. Wówczas gdy napięcie na bazie pierwszego tranzystora wzrośnie o 0,1 wolta, o tyle samo podniesie się napięcie na oporniku. Potencjał złącz obu tranzystorów jest odniesiony do tego punktu. Więc tym samym potencjał bazy tranzystora wejściowego podniesie się o tyle samo. Opornik 10 omów „oglądany” przez układ tranzystorów będzie miał oporność 100 kiloomów. Można powiedzieć, że na skutek tego, że napięcie na emiterze podąża za napięciem na bazie tranzystora wejściowego, oporność wejściowa „widziana” z wejścia jest to oporność obciążenia przemnożona przez wartość opornika obciążającego układ.

W praktyce te rozważania oznaczają, że do tranzystorów w układzie Darlingtona można podłączyć jako źródło sygnału ów bimorf, zaś jako obciążenie np. słuchawki o oporności kilkudziesięciu omów.

Uważna osoba może powiedzieć, że tak czy owak przy zadanym przez źródło sygnału prądzie prąd przepływający w obwodzie emiter – kolektor układu wzmacniającego będzie taki sam. Lepiej umieścić obciążenie w obwodzie emitera, wówczas otrzymamy taką samą amplitudę prądów, zaś napięcia będą kilka, kilkadziesiąt razy wyższe. To prawda. Jaki jest więc zysk z umieszczania obciążenia w emiterze?

Uzyskujemy oczywiście bardzo silne ujemne sprzężenie zwrotne. Dzięki temu napięcie na obciążeniu dokładnie odwzorowuje napięcie wejściowe. W układzie z obciążeniem w kolektorze będzie on wykrzywiony przez charakterystykę niskonapięciową złącza baza-emiter. Jest ona eksponentą i o ile często nie stanowi to zasadniczego problemu, to tylko wówczas, gdy wejściowe napięcia są niewielkie. W przypadku zasilania ze źródła o dużej oporności wymusi ono przepływ prądu mniej więcej proporcjonalnego do sygnału, ale, niestety, będziemy mieli jeszcze duże szumy. W układzie z silnym sprzężeniem zwrotnym uzyskamy zarówno linearyzację wzmacniacza, jak i praktyczne wycięcie szumów.

Układ z obciążeniem w kolektorze bardziej nadaje się do wzmacniania małych sygnałów ze źródeł o mniejszej oporności.



W układzie Darlingtona i tak oporność wejściowa będzie duża, gdyż nawet jeśli nie ma żadnego opornika w emiterze, istnieje oporność złącza baza-emiter i tranzystor wejściowy przemnaża ją przez swój współczynnik wzmocnienia prądowego.

Można powiedzieć, że jak do tej pory układ połączenia tranzystorów „w szereg” wydaje się bardzo cwanym pomysłem, przynoszącym same zyski. Tak, niestety, nie jest. Powoduje on, że wady tranzystorów, które do tej pory zdawały się drugorzędnym problemem, mogą uniemożliwić działanie urządzenia.

W układzie z obciążeniem w kolektorze mamy problem z niestabilnością temperaturową. Zmiany termiczne zachodzące na złączu tranzystora wejściowego są wzmacniane przez tranzystor wyjściowy. W praktyce układ dwóch tranzystorów w temperaturach pokojowych (dokładniej przy zmianach temperatury otoczenia nie większych niż ok. 5 stopni Celsjusza) może pracować bez stabilizacji. Jednak tak wykonane urządzenie można traktować tylko jako eksperymentalne.

Drugi problem to ograniczenia pasma wejściowego. Pojemność złącza baza-emiter tranzystora wejściowego, widziana z wejścia układu, jest przemnożona przez współczynnik wzmocnienia prądowego wejściowego tranzystora.

Układy Darlingtona są często spotykane jako „tranzystory”, czyli tak naprawdę trójkońcówkowe układy scalone. Są stosowane jako elementy wykonawcze w różnych urządzeniach, np. pracują w końcówkach wzmacniaczy mocy czy sterują cewkami silników. Ze względu na problem ograniczenia pasma mają wbudowane oporniki o oporności kilkuset omów, przyłączone równolegle do złącza baza emiter tranzystora wyjściowego. Obecność tych dodatkowych elementów powoduje, że gdy sprawdzamy przyrząd za pomocą standardowego testera do tranzystorów, zachowa się on nietypowo.

Projektując urządzenia z tranzystorami w układzie Darlingtona, musimy jeszcze uwzględnić układy polaryzacji, które muszą dostarczać napięć równych sumie napięć na złączach emiter-baza obu przyrządów. Może to stanowić ograniczenie, gdy stosujemy bardzo niskie napięcia zasilania. W takim wypadku możemy się uratować, stosując układ Sziklaiego.

Muszę tu ostrzec, że to omówienie układu Darlingtona nie jest ani trochę kompletne, nawet nie bardzo praktyczne. Ma ono za zadanie tylko zilustrować problem, który polega na tym, że w stosunkowo prostych połączeniach układów elektronicznych może tkwić całkiem sporo niespodzianek. Jedyną metodą na ich uniknięcie jest właśnie stopniowe zapoznawanie się z tymi konstrukcjami i ich własnościami.

Na podobnej zasadzie zasygnalizuję istnienie czegoś takiego, jak wzmacniacz różnicowy. Tu trzeba dać ostrzeżenie, że nazwa nie jest jednoznaczna. Tak samo nazwa się czasami aplikacja wzmacniacza operacyjnego, jednego z najczęściej stosowanych układów scalonych.



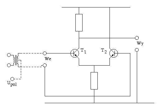
Schemat przedstawia realizację bez oporników w emiterach tranzystorów. Warto zwrócić uwagę, co właściwie ta machina robi. Mianowicie mamy jakiś sygnał „wiszący” względem masy układu, np. wyprodukowany przez uzwojenie transformatora, i oczywiście jakiś układ polaryzujący. Tak więc zawsze mamy taką sytuację, że do wejścia wzmacniacza dopływa sygnał tzw. wspólny oraz różnicowy. W najlepszym wypadku sygnał wspólny jest wytwarzany przez nasz układ polaryzacji. Rysunek przedstawia bardzo uproszczony pomysł na jego doprowadzenie. To zadziała, jeśli oba tranzystory będą identyczne, co w praktyce nie jest możliwe. Trzeba tu przypomnieć, że ze względu na bardzo dużą dynamiczną oporność tranzystora, mierzoną jako zależność prądu kolektora od napięcia na tej elektrodzie, pomimo że układ jest niesymetryczny, gdyż tylko w obwodzie T1 mamy opornik w jego obwodzie kolektorowym, przy odpowiednim zaprojektowaniu układu, bez sygnału różnicowego mamy równowagę prądów. Jeśli w uzwojeniach naszego przykładowego transformatora zostanie wyindukowane jakieś napięcie, wówczas np. prąd kolektora tranzystora T1 rośnie. Jednocześnie maleje prąd przepływający przez tranzystor T2 . Napięcie na obciążeniu w kolektorze T1 spadnie trochę bardziej niż we wzmacniaczu z pojedynczym tranzystorem i nieblokowanym kondensatorem opornikiem w emiterze, bo przy zachowanej symetrii napięcie na wspólnym oporniku emiterowym powinno pozostać stałe. Nie ma jednak żadnej rewelacji. Co się jednak stanie, gdy jednocześnie wzrosną napięcia na bazach obydwu tranzystorów? Wówczas napięcie na emiterach podniesie się i odejmie od wspólnego sygnału. Ponieważ możemy wetknąć jako emiterowy opornik o wartości równej temu, który siedzi w kolektorze tranzystora T1, to zmiany napięć, na palcach licząc, będą równe. A że opornik w emiterze działa tak, jak w poprzednio opisywanym układzie Darlingtona, wzmocnienie napięciowe będzie mniejsze od jedności.

W efekcie nasz wzmacniacz różnicowy wzmacnia jak wzmacniacz z jednym tranzystorem i obciążeniem w kolektorze (czyli wtórnik kolektorowy) sygnały różnicowe, zaś sygnał wspólny tak jak wtórnik emiterowy. Tak to w uproszczeniu wygląda. Sygnał wspólny jest więc tłumiony, sygnał różnicowy wzmacniany. Jeśli umieścimy tranzystory we wspólnej obudowie, będziemy mieli układ zachowujący stabilność temperaturową w szerokim przedziale wartości. Układ stosuje się na przykład do wzmacniania sygnałów pochodzących z długich linii, np. połączenie mikrofonu ze wzmacniaczem. Wówczas możemy użyć transformatora symetryzującego tak jak na rysunku. W przewodach biegnących do wzmacniacza będą się indukowały zakłócenia, które nasz wzmacniacz „zobaczy” jako sygnał wspólny, zaś sygnał użyteczny dzięki zastosowaniu transformatora będzie sygnałem różnicowym.

Nasz układ pełni więc dwie funkcje: „uwydatniacza” sygnału różnicowego oraz – w tym konkretnym schemacie – przerabia sygnał symetryczny na asymetryczny. Jeśli umieścimy obciążenia w kolektorach obu tranzystorów, możemy uzyskać ze wzmacniacza ponownie symetryczny sygnał.

 


<19 >