Fahrenheit nr 56 - grudzień 2oo6
fahrenheit on-line - archiwum - archiwum szczegółowe - forum fahrenheita - napisz do nas
 
Para-nauka i obok

<|<strona 16>|>

Trochę niezbędnych rupieci

 

 

Czas na kolejny odcinek opowieści o radioamatorze, radioamatorstwie czy jak to nazwać. Muszę się przyznać szczerze, że do pisania tego typu tekstów zabieram się niczym pies do jeża. Albowiem wymaga to nie tylko uwagi, by głupot nie napisać, ale przemyślenia, by napisać coś choć trochę przydatnego i zrozumiałego.

A więc chciałbym, aby to, co piszę, było przydatne. Zacznę może od dość smętnego stwierdzenia, że tradycyjne zajęcie radioamatora, czyli naprawa popsutych „radyj” wszelkiego autoramentu, traci sens. Przyczyna tkwi w lawinowo narastającej komplikacji oraz dramatycznym potanieniu radioodbiorników. Nie ma sensu grzebać w czymś kupionym za dwadzieścia złotych. To raz. Dwa, producenci nie dołączają do urządzeń żadnych schematów. Czasami złośliwie zacierają dane elementów użytych do budowy urządzenia. Ktoś, kto do tej pory był przeciwnikiem ruchu Open Source i rozbije sobie twarz o taką atrakcję, jak starannie wytarty papierem ściernym układ scalony, z wielkim prawdopodobieństwem może stać się wściekłym działaczem, radykalniejszym od samego Stallmana.

Ale nawet w takich przypadkach możemy poradzić sobie metodami typu „odwrotny inżyniering”. Wiemy mniej więcej, w którym miejscu jaki układ powinien się znajdować. Wówczas próbujemy dopasować aplikację do konkretnego typu i zazwyczaj nie jest to takie trudne, jak się na początku wydaje.

Powiem jednak szczerze: takie postępowanie ma sens tylko w szczególnych przypadkach. Jeśli na przykład chcemy zrobić kuku jakiemuś producentowi i opublikować w Internecie to, co on utajnił. Zazwyczaj popsute urządzenia się wyrzuca albo rozbiera na części.

Grzebanie w fabrycznych urządzeniach ma sens wówczas, gdy są dostatecznie proste. Na przykład zasilacze zawierają zwykle transformator, mostek diodowy i stabilizator. Mając tylko woltomierz, można zidentyfikować miejsce awarii.

No i właśnie. Napiszę o tym, jakie rzeczy są potrzebne. Zakładam, że nie będziemy koniecznie próbowali od razu skonstruować komputer, lecz będziemy uruchamiali proste układy, które sami poskładaliśmy z niewielu elementów.

Wielu osobom wydaje się, że potrzebne jest laboratorium z mnóstwem skomplikowanych i drogich urządzeń, że gdy ma się dostęp do takiego laboratorium, to wówczas można „wszystko”. Szybko się przekonamy, że sztuką jest nie „posklejanie” części, bo montaż w elektronice najczęściej jest dość prosty, lecz że bycie radioamatorem zasadza się na umiejętności „ożywienia” maszyny. Równie szybko przekonamy się, że działalność elektronika w znacznie większym stopniu opiera się na ostrym główkowaniu niż na drogich urządzeniach pomiarowych.

Owszem, jest takie jedno, które warto mieć, które jest drogie, lecz znowu nie tak, żeby kupić się nie dało. Oscyloskop. No cóż, zacznijmy od tego, że mając komputer pod linuksem, możesz z pomocą karty muzycznej wejść w posiadanie czegoś na kształt oscyloskopu, i to cyfrowego. Poszukaj w Google lub innej przeglądarce xoscope. Na dziś powinieneś dostać pakiet rpm. Pamiętaj o ograniczeniach, jakie narzuca wejście karty muzycznej, to nie jest prawdziwy oscyloskop, ale możesz z jego pomocą wykonać wiele rzeczy.

Możesz jednak albo zdobyć dostęp do „prawdziwego” oscyloskopu, albo go nabyć. To nie jest nierealne, zakłady czasami się ich pozbywają, czasami ktoś kupi sobie lepszy i sprzedaje gorszy. Na początek wystarczy oscyloskop o paśmie do około 20 MHz. Pasmo to jeden z najważniejszych parametrów. Dobrze jest, gdy oscyloskop ma dużą czułość, ma dwa lub cztery kanały, lecz gdy w ogóle jest, gdy ma pasmo co najmniej kilka MHz, to z jego pomocą można bardzo wiele zrobić.

Oscyloskop, gdyby ktoś nie wiedział, służy do oglądania przebiegów elektrycznych. Oscyloskop robi wykres takiego przebiegu w czasie. O tym, jak to działa, poczytać można w podręcznikach do fizyki, przy czym dobra rada: darujmy sobie opowieści o próżniowych rurach, strumieniach elektronów i działach elektronowych. Istotne dziś jest całkiem coś innego: jak ma się obrazek na ekranie oscyloskopu do tego, co się dzieje w układzie. Zwróć uwagę, Czytelniku, na maszynerię zwaną układem synchronizacji, układem wyzwalania czy jak tam, która powoduje, że oglądasz na ekranie stabilny obraz powtarzającego się czasami i kilkaset milionów razy na sekundę przebiegu. Działa to tak (zazwyczaj i na przykład), że po osiągnięciu określonego napięcia zaczyna się rejestracja jego zmian. Rusza zegar. W oscyloskopie analogowym jest to po prostu generator napięcia piłokształtnego, w oscyloskopie cyfrowym rozpoczyna się rejestracja próbki i zapis jej do pamięci. Warto sobie przemyśleć, jak to się dzieje, że widzimy powtarzalny przebieg, że gdy nie ma synchronizacji, to zazwyczaj jest on całkiem zamazany.

Oscyloskop to niestety dość osobny temat; w skrócie można powiedzieć tylko tyle, że warto mieć przynajmniej dostęp, warto umieć się tym posłużyć.

Banalnym urządzeniem, które dziś jest zapomniane i wielu ludziom może wydać się całkowicie nieprzydatne, są zwykłe słuchawki. Najlepiej mieć takie telegraficzne, ale niekoniecznie. Technologia ich używania bywa rozmaita. Prosty przykład: chcemy stwierdzić, czy nie padł kondensator w filtrze napięcia w zasilaczu. Taki kondensator ma za zadanie mocno osłabić napięcie tętnień. Dołączamy słuchawki do zasilacza. Zazwyczaj usłyszymy buczenie. Dołączamy do zasilacza kondensator o pojemności 1/2 do 1/5 głównego kondensatora. Jeśli usłyszymy znaczne osłabienie przydźwięku sieciowego, to znaczy, że nasz kondensator jest do wyrzucenia.

Inny przykład: uruchamianie bariery fotoelektrycznej. Co to jest ta bariera? Zazwyczaj w literaturze kryminalnej nazywamy ją „fotokomórką”. Mamy oświetlacz, zazwyczaj zawierający diody na podczerwień, oraz odbiornik promieniowania. Oświetlacz emituje krótkie błyski. Często korzystnie jest ustawić ich parametry na, powiedzmy, czas trwania około 0,5 milisekundy i częstość powtarzania około 10 ~ 5 Hz. Dlaczego tak? Zazwyczaj bariera fotoelektryczna służy do wykrycia wejścia w jej obręb człowieka. Zwykle zależy nam też na uzyskaniu dużego zasięgu. Możemy budować dwa rodzaje: „przerwaniowy” i „odbiciowy”. W barierach „przerwaniowych” obecnie stosuje się diody laserujące, które dają wiązki mniej więcej takie jak wskaźniki laserowe i ich zasięg jest wystarczający „z urodzenia” w większości zastosowań. W barierze „odbiciowej” rejestrujemy promieniowanie odbite od tego, co się znalazło w obszarze działania oświetlacza. Tu skupienie nie ma znaczenia, stosuje się zwykle kilka, kilkanaście diod na podczerwień i czuły odbiornik. Zastosowanie impulsów pozwala „przywalić” na te diody prąd do około 0,5 ampera i uzyskać znaczną moc błysku. Jednocześnie po stronie odbiorczej zadanie znacznie się upraszcza, gdyż wzmacniamy zmienne napięcie. Otóż promieniowania podczerwonego nie widać. Zazwyczaj regulacja i uruchomienie takiej bariery wymaga optymalnego ustawienia oświetlacza i odbiornika. Podpinamy więc słuchawki w takie miejsce odbiornika impulsów, gdzieś zaraz za wzmacniaczem, i manipulując wzajemnym ustawieniem urządzeń, szukamy położenia, w którym sygnał będzie najgłośniejszy.

Słuchawki radiotelegrafisty to dziś może być coś nie do zdobycia. Ale nie potrzebujemy akurat ich. Jakiekolwiek słuchawki i wzmacniacz będą nawet znacznie lepszym rozwiązaniem. Czasami to się zwało „szukacz sygnału”. Urządzenia nigdzie nie kupimy, trzeba je sobie złożyć. Wzmacniacz powinien mieć wzmocnienie kilku tysięcy i oporność wejściową kilkuset kiloomów. Musi być oczywiście dostosowany do słuchawek dziś zazwyczaj trzydziestodwuomowych. Urządzenie wykonamy na jakimś typowym wzmacniaczu scalonym do miniaturowych odbiorników. Można wykorzystać istniejące rozwiązanie, gotowy wzmacniacz od gramofonu itp. Rozwiązań może być tysiąc, warto zwrócić uwagę na ideę: coś do słuchania przebiegów elektrycznych w urządzeniu. A więc niekoniecznie słuchawki, może być miniaturowy głośnik.

Zasilacz. Bardzo się przydaje. Mamy jakiś pomysł. Wydawać by się mogło, że zaczniemy budować urządzenie od zasilacza. Nie, nie bardzo wiemy, czy i jak to będzie działało. „Lepimy” układ próbny, czasami strasznego „pająka”, i podłączamy do zasilacza. Działa albo nie. Może źle działa, trzeba zmienić napięcie zasilania, może chcemy wypróbować, jak zachowa się maszyna, gdy „siądą” baterie. Będziemy potrzebować zasilacza o regulowanym napięciu i najlepiej możliwości ustalania maksymalnego prądu. Minimum to zabezpieczenie przeciwzwarciowe. Obecnie mamy scalone regulatory napięcia (na przykład produkowany jeszcze w NRD typ B 3170 z trzema końcówkami), na których bez kłopotu złożymy taki zasilacz.

Pisałem już o konieczności posiadania multimetru. Przypomnę: to kosztuje kilkadziesiąt złotych i nie warto się bawić w konstruowanie, chyba że „dla sportu”. Nie potrzebujemy superdokładności. W porywach przyda się nam lepsza niż 5%. Multimetry miewają często dużo „bajerów” typu miernik współczynnika beta dla tranzystorów. Przydatność takich wynalazków bywa zależna od okoliczności, generalnie jednak trzeba zwrócić uwagę na wygodę obsługi i w ogóle zaczynać od tego, żeby to coś pozwalało na pomiar prądu i napięcia.

Przydaje się multiwibrator. Generator przebiegu prostokątnego. Urządzenie można zrobić na szereg sposobów, w literaturze są tysiące konkretnych schematów. Po co? Ano żeby na przykład uruchomić nasz „szukacz sygnału”, sprawdzać, czy głośniki nie są przepalone. Multiwibrator dający na wyjściu sygnał o napięciu kilku woltów i prądzie kilku miliamperów pozwala sprawdzać nawet głośniki.

Wielu audiofilów „zabija się” za generatorami sygnałów sinusoidalnych o częstotliwościach akustycznych i bardzo małej zawartości harmonicznych. Powiem tak: niestety, zazwyczaj ta zabawa nie jest celowa. Oczywiście generator „czystego” sinusa dobrze jest mieć, lecz nie warto stawać na głowie, by wejść w jego posiadanie. Ich zastosowanie to na przykład zestrajanie zwrotnic głośnikowych. Lecz do tego celu wystarczy nam generator „prawie sinusoidalny”. Przy zawartości harmonicznych rzędu kilku procent, a to uzyskać jest bardzo łatwo, uda się wykonać zadanie. Pomiary współczynnika zawartości harmonicznych wymagają urządzenia zbudowanego specjalnie do tego, sam generator niewiele pomoże. Wniosek: przyda się generator sinusa, lecz to nie jest urządzenie pierwszej potrzeby.

ilustracja

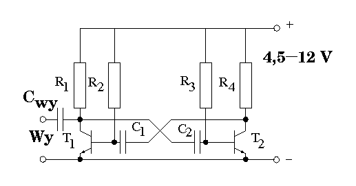
Skupmy się na wykonaniu multiwibratora. Co prawda wiele multimetrów ma wbudowany tego typu „buczek”, lecz urządzenie jest jednocześnie i „pouczające”, i na tyle uniwersalne, że wykonywania multiwibratora warto się nauczyć. Spójrzmy na schemat. Układ T1, R1, R2, C1 to kawałek wzmacniacza na jednym tranzystorze. Podobnie T2, R3, R4, C2 to także wzmacniacz na tranzystorze. Wzmacniacz pierwszy jest podłączony do drugiego. Jak to działa?

Po pierwsze, co robi? Generuje przebieg o częstotliwościach określonych pojemnościami i opornościami R2 i R3. Przebieg ma kształt zazwyczaj „prawie prostokątny”, co oznacza, że napięcie na wyjściu zmienia się skokowo i to od zera do napięcia zasilania.

Po drugie, jak działa? Zaczniemy od tego, że układ będziemy regulować tak, aby na kolektorach obydwu tranzystorów po odłączeniu od baz kondensatorów było napięcie równe około połowie napięcia zasilania. Co się stanie, gdy podłączymy kondensatory? Układ elektroniczny szumi, tu głównie szumią tranzystory. Gdyby nie szumy, nie stałoby się nic, układ pozostawałby w równowadze, na kolektorach utrzymywałoby się napięcie równe połowie zasilania. Ale są szumy. Jeśli prąd jednego z tranzystorów wzrośnie przypadkowo, napięcie na jego kolektorze zmaleje. Zmiana ta poprzez kondensator zostanie przeniesiona do bazy drugiego tranzystora i spowoduje jego „przytkanie”. Natychmiast wzmocniony sygnał spowoduje wzrost napięcia na kolektorze i zostanie przeniesiony poprzez pojemność do bazy pierwszego tranzystora, od którego wszystko się zaczęło. Pamiętajmy, że współczynniki beta są bardzo duże, rzędu dwustu. W ten sposób jeden tranzystor zostanie całkowicie zamknięty, a drugi otwarty. Wejdzie w stan nasycenia. Zwróćmy uwagę na tranzystor zatkany. Jest zatkany, bo otwarty dołączył praktycznie kolektor do „ziemi”, panuje na nim napięcie około 0,1 wolta. Jednak baza tranzystora zatkanego jest połączona poprzez kondensator. Jest także połączona z zasilaniem poprzez opornik polaryzujący bazę. Po czasie określonym przez stałą czasową (proporcjonalnym do stałej czasowej) napięcie na bazie wzrośnie. Po prostu kondensator się ładuje poprzez opornik bazowy. W końcu osiągnie on napięcie przewodzenia i zatkany tranzystor zacznie przewodzić. Napięcie na jego kolektorze spadnie. Spowoduje to zatkanie tranzystora, który zainicjował akcję. Cykl się powtórzy. Okres cyklu będzie tym większy, im większe będą pojemności i opory polaryzujące bazy tranzystorów. W niewielkim stopniu zależeć też będzie od oporów w kolektorach.

Jeszcze jeden szczegół. Po tym, jak tranzystor przejdzie od stanu przewodzenia do pełnego zatkania, na bazie tranzystora pojawi się ujemne napięcie. A to z powodu istnienia diody emter-baza. Dlatego przy prawidłowym wykonaniu nastąpi całkowite zatkanie tranzystora. Zatkają się także tranzystory polowe złączowe, jeśli je tam wsadzimy.

Czas oscylacji można zmieniać w szerokim zakresie, zmieniając pojemność w bazach tranzystorów. Oporności zwykle nie mogą być mniejsze niż kilkaset kiloomów. Trzeba je dobrać tak, by uzyskać rozsądny prąd płynący przez kolektory tranzystorów. Ponieważ oporniki kolektorowe dobieramy zazwyczaj w granicach jeden-kilka kiloomów i płynący przez nie prąd musi zapewnić spadek napięcia około połowy napięcia zasilania (można też dobrać inne warunki), wartość prądów płynących przez oporniki bazowe może być najwyżej beta razy mniejsza.

W praktyce wartości oporników w bazach dobiera się około 100-200 kiloomów, oporników kolektorowych około 1-5 kiloomów. Przy pojemności 0,1 mikrofarada kondensatorów sprzęgających powinniśmy uzyskać oscylacje w zakresie akustycznym. Oporniki w bazach warto wmontować regulowane (montażowe potencjometry). Zmieniając ich wartość, możemy wpływać na kształt przebiegu i jego częstotliwość. Układ będzie działał przy napięciu od kilku do kilkunastu woltów. Jako tranzystorów możemy użyć np. BC 337, BC 107 (stary typ). Kondensator, przez który podłączamy multiwibrator do badanych (zasilanych) układów Cwy, powinien mieć około 10 nF.

Oczywiście w dzisiejszych czasach mamy przeróżne scalone wersje generatorów przebiegów prostokątnych na przykład NE 555 (konstrukcja ma ze dwadzieścia lat). Scalone generatory dają „piękny” prostokąt w porównaniu z multiwibratorami tranzystorowymi. Nasza konstrukcja nie ma specjalnych zalet. Jest tylko „dydaktyczna” i pozwala zmieniać swoje parametry w bardzo szerokim zakresie.

Multiwibrator nadaje się do zasilania mostków do pomiaru pojemności i indukcyjności. W dzisiejszych czasach za niewielkie pieniądze można dostać multimetry z możliwością pomiaru indukcyjności i pojemności. Najprostszy działający mostek mierzący pojemność jest jednak tak łatwy w budowie, że warto się nim zająć choćby „dla sportu”, a także by poznać problemy, jakie występują przy budowie bardziej zaawansowanych konstrukcji.

ilustracja

Mostek taki może się przydać nawet wówczas, gdy mamy miernik pojemności w multimetrze. Bywa, że potrzebujemy jednocześnie amperomierza, sprawdzamy, czy nam prąd nie „płynie” na skutek rozgrzewania się części. Mając mostek, możemy skrócić sobie czas sprawdzaniem innych części. Do jego uruchomienia wystarczy jakiś multiwibrator, słuchawki, najlepiej telegraficzne, i kilka wzorcowych kondensatorów. Jako kondensator wzorcowy możemy zastosować zestaw przełączanych kondensatorów w granicach od 100 pF do około jednego mikrofarada. Potrzebujemy jeszcze dość dobrego potencjometru ze skalą pudełka z zaciskami, do którego to wszystko wsadzimy – i gotowe. Jak się tego używa? Nadziewamy słuchawki na uszy, kręcimy potencjometrem i szukamy miejsca, w którym dźwięk zaniknie. Potencjometr musimy zaopatrzyć w podziałkę, w miejscu zaniku dźwięku odczytujemy pojemność. Tego typu maszyna działa ze „zwykłymi” kondensatorami, nie można nią mierzyć kondensatorów elektrolitycznych. Bywa jednak przydatna w różnych „dziwnych” sytuacjach, np. do zmierzenia pojemności kabli czy rozproszonych pojemności, np. płytka obudowa. Wreszcie w sytuacji, gdy układ nie daje się zrównoważyć, możemy domniemać, że w układzie nie występuje „czysta” pojemność. Możemy się też przekonać, że zwykłe zbliżenie ręki do mierzonego elementu potrafi rozrównoważyć mostek (przy pojemnościach rzędu kilkudziesięciu pF). Można więc oceniać skuteczność ekranowania elementów.

Zakres pomiarowy zależy tu w pewnym stopniu od wielkości napięcia zasilającego jego częstotliwości oraz w największym od czułości wskaźnika. Krytycznie jest od strony małych pojemności. Jeśli zastosujemy słuchawki o oporności 32 omów, to zwojujemy niewiele, lepiej będzie, gdy zastosujemy słuchawki telegraficzne. Gdy zastosujemy wzmacniacz zwłaszcza o dużej oporności wejściowej... może być różnie. Pojawiają się wówczas problemy z pojemnościami rozproszonymi. Najlepiej jest, gdy przynajmniej jedno z urządzeń, multiwibrator lub wzmacniacz, jest zasilane z bateryjki. Dla pomiaru dużych pojemności mostek nie jest koniecznie najlepszym pomysłem, ale prawdopodobnie poradzimy sobie ze wszystkimi praktycznie spotykanymi kondensatorami „zwykłymi”. Do pomiaru kondensatorów elektrolitycznych trzeba i tak zmajstrować coś innego.

Problemem w praktyce bywa wyszukanie kondensatora, który ulega przebiciu. Czasami ulega on trwałemu zwarciu i wówczas możemy sprawdzić omomierzem, czy tak się stało. Dość często mamy jednak złośliwy przypadek polegający na tym, że kondensator „prztyka” czy „tupie” dopiero przy wysokich napięciach. Można jednak sobie poradzić. Łączymy szeregowo kondensator, neonówkę i duży opornik. Tak wielki, że przy zwarciu obwodu popłyną przez niego pojedyncze miliampery. Orientacyjnie można tu zalecić około 100 kiloomów na 100 woltów napięcia. Dla napięcia 230 woltów damy opornik około 230 kiloomów. Musimy pamiętać, że opornik ten musi wytrzymywać napięcie. Nie nadają się miniaturowe oporniki o mocach 0,125 W. Trzeba sprawdzić napięcie w katalogu, bo inaczej grozi nam bum. Po podaniu napięcia w momentach zwarcia kondensatora neonówka będzie błyskać. Jeśli to zaobserwujemy, mamy zlokalizowany uszkodzony element.

Autotransformator nie służy (tylko) do odpędzania bimbru. Możemy zrobić z nim wiele innych, co najmniej równie pożytecznych rzeczy. Na przykład możemy wykryć zwarte uzwojenia. W przypadku transformatorów mocy kilkunastu-kilkudziesięciu watów łączymy podejrzany transformator w szereg z żarówką o mocy 15-20 W. Jeśli żarówka się zaświeci, mamy zwarcie między zwojami. Czasami takie postępowanie może okazać się i niewygodne, i niebezpieczne. Możemy wówczas, zamiast łączyć transformator bezpośrednio do sieci, podłączyć go do autotransformatora, w szereg włączyć amperomierz prądu zmiennego i obserwować, co się dzieje. Zawsze w takich eksperymentach warto mieć opór zabezpieczający choćby w postaci żarówki, jednak wówczas decydujące będą wskazania amperomierza. W przypadku, gdy w urządzeniu jest uszkodzenie, zazwyczaj prąd bardzo szybko wzrasta. Gdy mamy z czym porównać pomiary, decyzja bywa prosta, bowiem różnice są wyraźnie kilkukrotne. Dzięki zaś obniżonemu napięciu możemy uniknąć dalszych szkód. W bardzo podobnym układzie można wypróbować działanie silników komutatorowych.

Autotransformatorem możemy także sprawdzić skuteczność stabilizowania napięcia przez zasilacze.

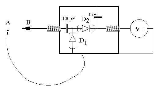
Istnieje jeszcze wiele bardzo prostych urządzeń, które mogą znakomicie ułatwić życie elektronikowi. Na przykład sonda wcz.

ilustracja

W przypadku pomiarów napięć o częstotliwości rzędu dziesiątek MHz zwykłe woltomierze, a w tym wypadku mówimy o prawie każdym woltomierzu, wysiadają. Warto sobie uzmysłowić, że woltomierze cyfrowe zazwyczaj mierzą dobrze w zakresie 50-400 Hz. Część ma rozszerzony zakres do kilkunastu kHz, ale to wszystko. Przyczyna jest poniekąd pozatechnologiczna. Nie da się. Jeśli chcemy, by woltomierz był woltomierzem, musimy utrzymać oporność wejściową w granicach kilkudziesięciu kiloomów. Tymczasem przewody pomiarowe, które prowadzą do urządzenia pomiarowego, mają spore pojemności, czasami rzędu nanofaradów. W rezultacie jedyną metodą jest wsadzenie czegoś na ich samym początku. Bardzo naukowym rozwiązaniem będzie szerokopasmowy wzmacniacz o wielkiej oporności wejściowej. Produkuje się już takie w wersji scalonej. Ale można zrobić coś z pozoru bez sensu. Zamontować tuż przy miejscu, z którego pobieramy napięcie do pomiaru, prostownik.

Sondę robimy np. z metalowego pudełeczka lub kawałka rurki. Zwykle montujemy na jakimś izolatorze metalowy grot. We wnętrzu pudełka dolutowujemy według rysunku dwa kondensatory i diodę. Może to być nawet „antyczna” dioda typu DOG 61. Jakaś dioda impulsowa wcz. Kondensator 100pF jest konieczny, bez niego szybko „wysadzimy” nasze urządzenie. Kondensator 1 nF może coś poprawić, ale nie jest niezbędny. Urządzenie do układu mierzonego podłączamy pomiędzy punktami A i B. Wyjście sondy podłączamy do woltomierza prądu stałego o dużej oporności. Jak to działa? Kondensator 100 pF i diody D1 i D2 pracują w układzie tak zwanego podwajacza napięcia. Po naładowaniu się kondensatora 1nF do napięcia szczytowego przestaje przewodzić dioda D2 i od strony źródła napięcia wcz widać bardzo wysoką oporność. Przez układ płynie tylko prąd wysterowujący woltomierz prądu stałego. W tego typu układach poważną rolę zaczyna odgrywać montaż mechaniczny. Musi on zminimalizować pojemności rozproszenia. To one decydują o oporności wejściowej sondy. Musimy pamiętać, że obudowa sondy musi być podczas pomiaru „na masie”, zaś z układem wcz łączymy grot sondy. Nie da się tym urządzeniem mierzyć różnicy napięć pomiędzy dwoma „gorącymi” punktami. Układ jest silnie nieliniowy dla małych napięć, dla diod krzemowych napięcie wejściowe musi być około 0,5 wolta, żeby układ zaczął działać, dla germanowych około 0,3 wolta. Jeśli chcemy mierzyć małe napięcia, musimy wykonać charakterystykę układu, wykres zależności napięcia wyjściowego od wejściowego. W praktyce jednak mierzymy dla wcz względne różnice; przy np. strojeniu obwodów rezonansowych interesuje nas najwyżej to, czy napięcie wzrasta, czy maleje, i urządzenie znakomicie się sprawdza.

W praktyce radioamatora najbardziej przydaje się chyba główkowanie. Ułożenie sobie planu działania, budowanie urządzenia modułami w takiej kolejności, żeby następne można było sprawdzać za pomocą już uruchomionych. Nie da się bez szczegółowego zrozumienia działania urządzenia, bez zrozumienia praw fizyki, na których opiera się jego działanie.

 


< 16 >